
The STM8S103F3P6 je 8-bitni mikrokontroler, ki ga proizvaja Stmicroelectronics, znan po svoji impresivni funkcionalnosti in brezhibnem integraciji.Ta kompaktna naprava je opremljena s površinsko nameščenim slogom naprave (SMD), ki uteleša napredno jedro in periferne naprave, ki so natančno izdelani s pomočjo vrhunske tehnologije.S s frekvenco uro 16 MHz se STM8S103F3P6 ponaša z močno sposobnostjo V/I, s čimer zagotavlja učinkovito obdelavo in ravnanje s podatki.Njen neodvisni časovnik čuva, opremljen z neodvisnim virom ure in varnostnim sistemom ure, zagotavlja optimalno delovanje in odpornost na napravo proti morebitnim motnjam.
Ena od njegovih izstopajočih funkcij je njegov bliskovni pomnilnik, ki zagotavlja nehlapno shranjevanje za kodo in podatke.Z območjem delovne napetosti, ki sega od 2,95 V do 5,5 V, je ta mikrokontroler zelo vsestranski in prilagodljiv različnim aplikacijam.Poleg tega ponuja širok razpon delovne temperature od -40 ° C do 85 ° C, zaradi česar je primeren za namestitev v različnih okoljskih razmerah.
• MSP430G2353
• PIC16LF18444T
• STM8S103F3P3
• STM8S103F3P3TR
• STM8S103F3P6TR


Nizka poraba energije: Na izbiro ima različne načine porabe energije, vključno z načinom v prostem teku, načinom spanja, načinom globokega spanja in načinom izklopa, ki lahko učinkovito podaljša življenjsko dobo baterije in prihrani energijo.
Visoka zmogljivost: sprejema visokozmogljivo jedro arhitekture STM8, kar omogoča, da je delovna frekvenca kar 16MHz, kar močno izboljša hitrost izvajanja navodil in zagotavlja učinkovitejše računalniške zmogljivosti za naše aplikacije.
Več komunikacijskih vmesnikov: Podpira različne komunikacijske vmesnike, vključno s SPI (serijski periferni vmesnik), I2C in UART.Skozi te vmesnike lahko enostavno komunicira in komunicira z zunanjimi napravami, da doseže več funkcij in aplikacij.
Obilna periferna naprava: mikrokontroler STM8S103F3P6 ima obilo perifernih virov, vključno s 16KB bliskovnega pomnilnika in 1kb pomnilnika RAM, pa tudi pogosto uporabljene vmesnike, kot so GPIO zatiči, časovniki in UART.Raznolikost teh perifernih naprav naredi napravo primerno za različne scenarije uporabe in lahko ustreza potrebam različnih področij in panog.Ne glede na to, ali gre za industrijski nadzor, pametni dom ali vgrajeni sistemi, lahko STM8S103F3P6 nudi podporo.

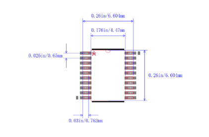
STM8S103F3P6 je pakiran v tanko skrčenem majhnem obrisu (TSSOP) in ima 20 zatičev.Razmik med telesom in svincem sta manjša od standardnih paketov SOIC.Tipična značilnost TSSOP je tvorba zatičev okoli pakiranega čipa, zaradi česar je primeren za namestitev ožičenja na PCB s pomočjo SMT tehnologije.Pri uporabi paketa TSSOP so parametri parazitskih parametrov (motnje izhodne napetosti, ki jih povzročajo velike spremembe toka) manjši, zato je primeren za visokofrekvenčne aplikacije.Takšen paket je bolj priročen za upravljanje in ima večjo zanesljivost.
Paket TSSOP ima naslednje funkcije:
• Majhni razmik za zatič: razmik za zatič je običajno 0,5 mm ali 0,65 mm.Z zasnovo bakrenih palic vezja lahko na vezje postavite več naprav z isto območje in velikostjo.
• Širok obseg uporabe: Uporablja se lahko na različnih poljih aplikacij, kot so mikrokontrolerji, DSP, pomnilniški čipi in napajalni čipi.
• Visoko število PIN: Število zatičev je običajno približno 20 do 64, kar lahko ustreza določenim zahtevam integracije čipov.
• Majhna velikost paketa: V primerjavi z navadnimi majhnimi obrisi (SO) je velikost paketa manjša, debelina je tanjša, prostornina pa manjša, zaradi česar je primerna za pakiranje integriranih vezij z visoko gostoto.
• Visoka zmogljivost: sprejema tehnologijo površinskega monta, ima dobro prevodnost in korozijsko odpornost in lahko ustreza posebnim zahtevam, kot so visoka hitrost, visoka frekvenca, miniaturizacija in tako naprej.
Če ni drugače določeno, se vse napetosti napotijo na VSS.
Najmanjše in največje vrednosti so zagotovljene v najbolj neugodnih pogojih, ki obsegajo temperaturo okolice, napajalno napetost in frekvence.Ta garancija se vzpostavijo s strogimi proizvodnimi testi, ki se izvajajo na 100% naprav, ki se izvajajo pri temperaturi okolice TA = 25 ° C in TA = tamax (kot je opredeljeno z izbranim temperaturnim območjem).
Vrednosti, ki temeljijo na rezultatih karakterizacije, oblikovalskih simulacij in/ali tehnoloških značilnostih, so opisane v opombah mize in niso bile podvržene testiranju proizvodnje.Kar zadeva karakterizacijo, se minimalne in največje vrednosti nanašajo na vzorčne ocene in označujejo srednjo vrednost z razponom plus ali minus trikrat večji od standardnega odklona (srednja vrednost ± 3σ).
Če ni izrecno navedeno drugače, se s TA = 25 ° C vzpostavijo standardni podatki, VDD = 5 V. Te vrednosti so navedene izključno kot oblikovalske reference in niso opravljene testiranja.
Tipična natančnost vrednosti ADC se vzpostavi z karakterizacijo nabora vzorcev iz standardne difuzijske parcele v celotnem temperaturnem območju.V tem kontekstu 95% naprav kaže napako znotraj določene vrednosti (povprečje ± 2σ).
Če niso posebej navedeni, so vsi standardni grafi namenjani izključno kot oblikovalske reference in niso bili podvrženi testiranju.
Če presegamo določene absolutne največje ocene, lahko povzroči trajno poškodbo naprave.Te ocene kažejo izključno na meje stresa, ki jih naprava lahko zdrži, in ne pomeni, da bo naprava v teh pogojih pravilno delovala.Izpostavljenost pogojem na ali v bližini najvišjih ocen lahko negativno vpliva na zanesljivost naprave.
Profil misije naprave, ki opisuje njegove pogoje uporabe, se drži kvalifikacijskega standarda JEDEC JESD47, z razširjenimi misijonskimi profili na voljo na zahtevo.
Za dosego stabilnosti primarnega regulatorja je treba na Pin VCAP priključiti zunanji kondenzator, označen z oznako CEXT.Bistveno je zagotoviti, da induktivnost serije ostane pod 15 NH.
Trenutna poraba se meri, kot je prikazano na naslednji sliki.

Skupna poraba toka v načinu izvajanja
MCU je postavljen pod naslednje pogoje:
• Vse periferne naprave so onemogočene (ura je bila ustavljena z registri perifernih ur), razen če je izrecno omenjeno.
• Vsi V/I zatiči v vhodnem načinu s statično vrednostjo pri VDD ali VSS (brez obremenitve)
Ob upoštevanju splošnih pogojev obratovanja za VDD in TA.

STM8S103F3P6 ima 20 zatičev, njena imena in funkcije PIN so naslednji:
Pin1 (pd4/ Beep/ tim2_ ch1/ uart1 _ck): vrata d4
Pin2 (pd5/ ain5/ uart1 _tx): vrata D5
Pin3 (pd6/ ain6/ uart1 _rx): vrata d6
Pin4 (nrst): ponastavitev
PIN5 (PA1/OSCIN): vrata A1
PIN6 (PA2/OSCOUT): vrata A2
PIN7 (VSS): digitalna tla
PIN8 (VCAP): 1,8 V kondenzator regulatorja
PIN9 (vdd): digitalno napajanje
PIN10 (PA3/ tim2_ CH3 [SPI_ NSS]): vrata A3
Pin11 (pb5/ i2c_ sda [tim1_ bkin]): pristanišče B5
PIN12 (PB4/ I2C_ SCL): vrata B4
Pin13 (pc3/ tim1_ch3 [tli] [tim1_ ch1n]): vrata C3
Pin14 (pc4/ clk_cco/ tim1_ ch4/ ain2/ [tim1_ ch2n]): vrata C4
PIN15 (PC5/ SPI_SCK [TIM2_ CH1]): vrata C5
PIN16 (PC6/ SPI_MOSI [TIM1_ CH1]): vrata C6
PIN17 (PC7/ SPI_MISO [TIM1_ CH2]): vrata C7
Pin18 (pd1/ plavanje): pristanišče D1
Pin19 (pd2/ ain3/ [tim2_ ch3]): vrata d2
PIN20 (PD3/ AIN4/ TIM2_ CH2/ ADC_ ETR): vrata D3
Kot je prikazano na zgornji sliki, ima čip STM8S103F3P6 do 16 V/I zatičev, ki jih je mogoče uporabiti za različne namene, kot so GPIO, periferni vmesniki, ADC itd.Uporablja se kot vhodni zatiči za branje zunanjih signalov ali kot izhodne zatiče za pošiljanje signalov na zunanje naprave.Poleg tega lahko vsakemu/izhodnemu zatiču neodvisno dodelimo prekinitveni vektor, da olajša natančno obdelavo prekinitev, ko se pojavijo.
• Sistemi za avtomatizacijo: Ta mikrokontroler se lahko uporablja v sistemih za avtomatizacijo, kot so električne zavese, sistemi za nadzor dostopa, nadzor temperature in nadzor osvetlitve.
• Aplikacija IoT (Internet of Things): Če moramo razviti naprave IoT, jo lahko uporabimo kot krmilnik za vozlišča IoT za povezovanje in nadzor različnih senzorjev in komunikacijskih modulov.
• Osebne elektronske naprave: Uporabljajo se v digitalnih kamerah, predvajalnikih MP3 in MP4, elektronskih konzolah iger itd.
• Elektronska oprema: Uporablja se za razvoj različne elektronske opreme
, kot so elektronske igrače, daljinski upravljalniki, mini kalkulatorji itd.
• Industrijsko polje: Uporablja se v PLC, industrijske krmilnike, avtomatizacijo procesov in opremo za avtomatsko krmiljenje pošiljanja itd.
• Vmesnik za pridobivanje podatkov in senzor: Uporablja se za spremljanje okoljskih pogojev in zbiranje podatkov ali za povezovanje različnih senzorjev, kot so svetlobni senzorji, temperaturni senzorji in vlažnost.
• Vgrajeni krmilni sistem: Uporablja se za oblikovanje različnih vgrajenih krmilnih sistemov, kot so gospodinjske aparate, industrijska oprema, električna orodja itd. Njegova 8-bitna procesna moč zadostuje za številne preproste kontrolne naloge.
STM8S103F3P6 je čip mikrokontrolerja, ki ga je razvila Stmicroelectronics.Pripada družini STM8 8-bitnih mikrokontrolerjev in se pogosto uporablja v različnih vgrajenih sistemih in IoT aplikacijah.
STM8S103F3P6 Mikrokontrolerski enoti ima 640 bit ROM, 10-bitni 5-kanal ADC, 1KB RAM in z velikostjo programskega pomnilnika 8KB.
STM8S103F3P6 lahko zamenjamo z MSP430G2353, PIC16LF18444T, STM8S103F3P3, STM8S103F3P3TR ali STM8S103F3P6TR.
Da, STM8S103F3P6 je zasnovan z majhnimi lastnostmi in se lahko uporablja v aplikacijah z baterijo ali z nizko močjo, kjer je energetska učinkovitost nujna.
Nekatere ključne značilnosti STM8S103F3P6 vključujejo zatiče GPIO (Splošni vhod/izhod), UART (Univerzalni asinhroni sprejemnik/oddajnik) komunikacija, komunikacija I2C (inter-integrirano vezje), SPI (serijski periferni vmesnik) komunikacija, časovniki, časovniki in še več.
O NAS
Zadovoljstvo strank vsakič.Medsebojno zaupanje in skupni interesi.
Tehnične specifikacije litijeve kovance CR2354
2024-08-02
Obsežen vodnik za mikrokontroler Atmega328-Pu
2024-08-02
E-naslov: Info@ariat-tech.comHK TEL: +852 30501966DODAJ: Rm 2703 27F Ho King Comm Center 2-16,
Fa Yuen St MongKok Kowloon, Hong Kong.